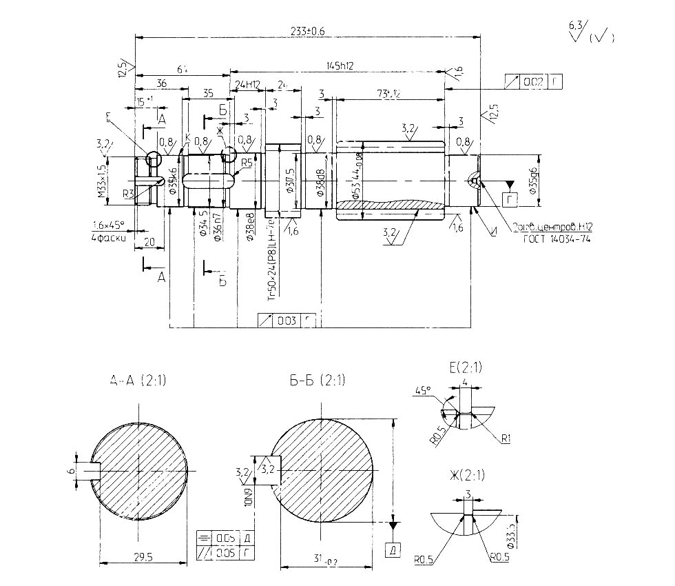
Вал-шестерня 106-39Б (986114.006)
Вал-шестерня — это узел редуктора, который выполняет функции вала и зубчатого колеса одновременно.
Он необходим для передачи крутящего момента от двигателя к приводам. Зубчатая часть вала содержит 13 зубьев. Вал устанавливается в корпус редуктора тали ТЭ-320 при помощи резьбового соединения. Взаимодействует с храповым механизмом (грузоупорным тормозом) тельфера.
Деталь изготовлена в соответствии с требованиями ГОСТ 1643-81. Прочный сплав не деформируется и не раскалывается под действием внешних нагрузок. Вал-шестерня рассчитана на длительный срок службы. Она не подвержена коррозии, может эксплуатироваться при повышенной влажности и в условиях перепада температуры.
Дополнительно вы можете приобрести





