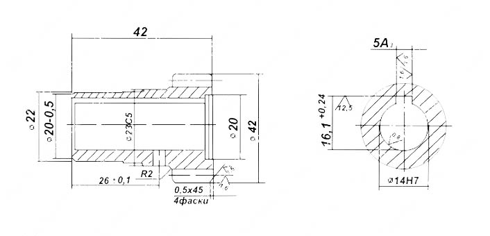
Шестерня (V передвижения 32 м/мин) 102с-46 (986131.005)
Шестерня 102с-46 (986131.005) предназначена для ТЭ320-500.
Она обеспечивает плавное движение механизма. Скорость передвижения равна 32 м/мин.
Преимущества шестерни 102с-46 (986131.005):
- Точная геометрия в соответствии с требованиями ГОСТ.
- Прочная конструкция из металла с дополнительной термической обработкой.
- Длительный срок службы.
- Простая безошибочная установка.
Шестерня рассчитана на высокие внешние и внутренние нагрузки. Деталь подходит для эксплуатации в стандартных и сложных условиях. В процессе работы шестерня подвергается значительному износу, поэтому следует контролировать ее состояние. При деформации детали она подлежит замене.
Дополнительно вы можете приобрести





