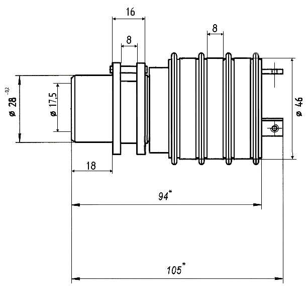
Коллектор в сборе для электротали ТК 1-2 г/п 1-2тн
Коллектор (токосъемник) предназначен для электрических талей ТЭ 100 и ТЭ 200.
Он служит промежуточным звеном между оборудованием поворотной и неподвижной части грузоподъемного механизма.
Коллектор состоит из сердечника и корпуса, соединенного с подвижным грузоподъемным механизмом. Корпус состоит из двух частей, соединенных друг с другом специальными стойками. На внутренней поверхности стоек установлены щеткодержатели, в которых размещаются щетки. Во время вращения щетки касаются поверхности сердечника, снимая электрический ток. Сердечник состоит из нескольких изолированных друг от друга токопроводящих колец.
Дополнительно вы можете приобрести





